Online inquiry
HOME > PRODUCTS
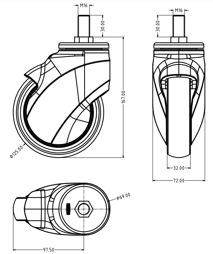
125 mm ABS Covered Medical Caster with threaded stem without brake Price:¥ Id:M20-L-125-ZG

Description : cross-wound main frame shaft structure; the bearing cover progressive mold is formed at one time; the double pedal design for braking and unlocking are lightweight and convenient.

Online inquiry
Detailed content

Technical Data               5" 125mm          
Wheel diameter125 mm       
Width of Tread32 mm         
Castor Width72 mm             
Screw Dia.M16 mm      
Length of Screw30 mm           
Radius of rotation131 mm       
Overall height166 mm     
Temperature- 10 / + 40 °C
Standard
EN 12531
Weight1.1kg
Load capacity            100 kg
Load capacity(Static)        200 kg


© 2026 Suzhou Mingxu Hardware Fittings Co., LTD.  All Rights Reserved.